SXZ-B2型电阻应变轴式传感器、变送器

- 产品分类:称重测力传感器
- 全国咨询热线:
- 13907318074
分享到:
概述
SXZ-B2型电阻应变轴式传感器采用双孔梁结构,具有精度高、稳定性能好、抗偏载能力强等特点,适应于恶劣环境、野外勘探、石油测井仪和吊钩秤配套使用。
主要技术指标
非线性误差 ≤±0.5℅F.S
滞后误差 ≤±0.5℅F.S
重复性误差 ≤±0.25℅F.S
输出灵敏度 2~2.5mV/V
温度零点影响 0.04℅F.S/℃
输出阻抗及桥压 700Ω/10VDC
绝缘电阻 ≥2000ΜΩ
过载能力 120℅F.S
工作环境温度 -10℃~+55℃
系列规格 36(t)
变送器输出 0~5VDC 0~10VDC 1~5VDC 0~10mA 0~20mA 4~20mA
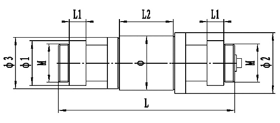
外形尺寸单位(mm)
SXZ-B2型电阻应变轴式传感器采用双孔梁结构,具有精度高、稳定性能好、抗偏载能力强等特点,适应于恶劣环境、野外勘探、石油测井仪和吊钩秤配套使用。
主要技术指标
非线性误差 ≤±0.5℅F.S
滞后误差 ≤±0.5℅F.S
重复性误差 ≤±0.25℅F.S
输出灵敏度 2~2.5mV/V
温度零点影响 0.04℅F.S/℃
输出阻抗及桥压 700Ω/10VDC
绝缘电阻 ≥2000ΜΩ
过载能力 120℅F.S
工作环境温度 -10℃~+55℃
系列规格 36(t)
变送器输出 0~5VDC 0~10VDC 1~5VDC 0~10mA 0~20mA 4~20mA
外形尺寸单位(mm)
量程 | L | L1 | L2 | Φ | Φ1 | Φ2 | Φ3 | Μ |
36t | 300 | 26 | 85 | 85 | 70 | 95 | 80 | 60×2 |
