ZQ-Y3电阻应变式压力传感器

- 产品分类:压力传感器
- 全国咨询热线:
- 13907318074
分享到:
概述
ZQ—Y/3电阻应变式压力传感器采用平膜片弹性体结构为敏感元件、高精度电阻应变花为转换元件,具有结构简单,过载能力强、精度高、性能稳定等特点。广泛用于各系统中作静、动态压力测量及控制。
特点
高精度、高稳定性、高可靠性
使用寿命长
结构精巧、环境适应性强
安装方便
隔离防爆(可选)
主要技术指标
非线性误差 ≤±0.1%F.S ≤±0.3%F.S
滞后误差 ≤0.1%F.S ≤±0.3%F.S
重复性误差 ≤±0.05%F.S ≤±0.15%F.S
温度零点漂移 0.005%F.S /℃
输出灵敏度: 1~1.5mV/V
输出阻抗及桥压 350Ω/10VDC、1000Ω/24VDC
绝缘电阻: ≥2000MΩ
工作环境温度 -25℃~+55℃
过载压力 200%F.S
系列规格 0.6Mpa 1Mpa 1.5Mpa 2Mpa
2.5Mpa 3Mpa 3.5Mpa 5Mpa 7Mpa 8Mpa
10Mpa 15Mpa 20Mpa 25Mpa 30Mpa
35Mpa 40Mpa 50Mpa 60Mpa
结构特性
膜片材料 优质合金结构钢或不锈钢
接头材料 1Cr18Ni9Ti
外壳材料 1Cr18Ni9Ti
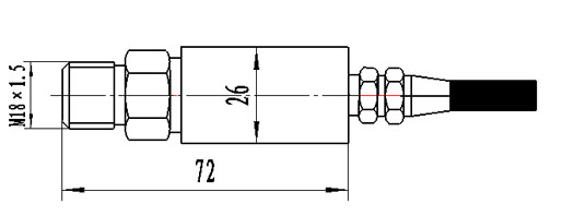
连接螺纹 M20×1.5、M18×1.5、M12× 1 M10×1 根据用户要求定做不同规格连螺纹。
引线方式 电缆线(标准长度1m) 航空插头 座 CX16Z5FG1、X12K5P
外形尺寸图

ZQ—Y/3电阻应变式压力传感器采用平膜片弹性体结构为敏感元件、高精度电阻应变花为转换元件,具有结构简单,过载能力强、精度高、性能稳定等特点。广泛用于各系统中作静、动态压力测量及控制。
特点
高精度、高稳定性、高可靠性
使用寿命长
结构精巧、环境适应性强
安装方便
隔离防爆(可选)
主要技术指标
非线性误差 ≤±0.1%F.S ≤±0.3%F.S
滞后误差 ≤0.1%F.S ≤±0.3%F.S
重复性误差 ≤±0.05%F.S ≤±0.15%F.S
温度零点漂移 0.005%F.S /℃
输出灵敏度: 1~1.5mV/V
输出阻抗及桥压 350Ω/10VDC、1000Ω/24VDC
绝缘电阻: ≥2000MΩ
工作环境温度 -25℃~+55℃
过载压力 200%F.S
系列规格 0.6Mpa 1Mpa 1.5Mpa 2Mpa
2.5Mpa 3Mpa 3.5Mpa 5Mpa 7Mpa 8Mpa
10Mpa 15Mpa 20Mpa 25Mpa 30Mpa
35Mpa 40Mpa 50Mpa 60Mpa
结构特性
膜片材料 优质合金结构钢或不锈钢
接头材料 1Cr18Ni9Ti
外壳材料 1Cr18Ni9Ti
连接螺纹 M20×1.5、M18×1.5、M12× 1 M10×1 根据用户要求定做不同规格连螺纹。
引线方式 电缆线(标准长度1m) 航空插头 座 CX16Z5FG1、X12K5P
外形尺寸图
