XZ-C型軸銷式荷重傳感器、變送器

- 產品分類:稱重測力傳感器
- 全國咨詢熱線:
- 13907318074
分享到:
概述
XZ-C型軸銷式荷重傳感器,采用軸銷式雙孔結構,具有結構簡單、性能穩定、抗偏載、安裝方便等特點、廣泛用于天車稱、作升降起重設備超載警元件。
主要技術指標
非線性誤差 ≤±0.5℅F.S
滯后誤差 ≤±0.5℅F.S
重復性誤差 ≤±0.25℅F.S
輸出靈敏度 1~1.5mV/V
溫度零點影響 0.04℅F.S/℃
輸出阻抗及橋壓 700Ω/10VDC
絕緣電阻 ≥2000ΜΩ
過載能力 150℅F.S
工作環境溫度 -10℃~+55℃
系列規格 1、2、2.5、3、5(t)
變送輸出 0~5VDC 0~10VDC 1~5VDC 0~10mA 0~20mA 4~20mA
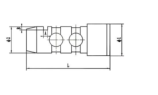
外形尺寸單位(mm)
XZ-C型軸銷式荷重傳感器,采用軸銷式雙孔結構,具有結構簡單、性能穩定、抗偏載、安裝方便等特點、廣泛用于天車稱、作升降起重設備超載警元件。
主要技術指標
非線性誤差 ≤±0.5℅F.S
滯后誤差 ≤±0.5℅F.S
重復性誤差 ≤±0.25℅F.S
輸出靈敏度 1~1.5mV/V
溫度零點影響 0.04℅F.S/℃
輸出阻抗及橋壓 700Ω/10VDC
絕緣電阻 ≥2000ΜΩ
過載能力 150℅F.S
工作環境溫度 -10℃~+55℃
系列規格 1、2、2.5、3、5(t)
變送輸出 0~5VDC 0~10VDC 1~5VDC 0~10mA 0~20mA 4~20mA
外形尺寸單位(mm)
測量范圍及型號 | Φ1 | Φ2 | L | A | B |
0~5(t) | 48 | 39 | 123 | 6 | 5 |
