WL-A型电阻应变式荷重传感器、变送器

- 产品分类:称重测力传感器
- 全国咨询热线:
- 13907318074
分享到:
概述
WL-A型电阻应变式荷重传感器,采用十字剪切梁结构,具有良好的自然性和稳定性、抗偏载能力强、精度高、外形高度低、安装方便稳定。可广泛用于料斗秤、汔车衡、轨道衡等电子秤中。也可在各系统中作力的分析和测量。
主要技术指标
非线性误差 ≤±0.05℅F.S
滞后误差 ≤±0.05℅F.S
重复性误差 ≤±0.025℅F.S
输出灵敏度 2~2.5mV/V
温度零点影响 0.005℅F.S/℃
蠕变(30min) ±0.05℅F.S
输出阻抗及桥压 350Ω/10VDC700Ω/10VDC
绝缘电阻 ≥2000ΜΩ
过载能力 120℅F.S
工作环境温度 -10℃~+55℃
系列规格 1、2、3、5、7、10、15、20、 30(t)
变送器输出 0~5VDC 0~10VDC 1~5VDC 0~10mA 0~20mA 4~20mA
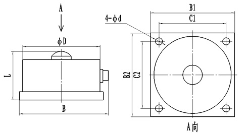
外形尺寸单位(mm)
WL-A型电阻应变式荷重传感器,采用十字剪切梁结构,具有良好的自然性和稳定性、抗偏载能力强、精度高、外形高度低、安装方便稳定。可广泛用于料斗秤、汔车衡、轨道衡等电子秤中。也可在各系统中作力的分析和测量。
主要技术指标
非线性误差 ≤±0.05℅F.S
滞后误差 ≤±0.05℅F.S
重复性误差 ≤±0.025℅F.S
输出灵敏度 2~2.5mV/V
温度零点影响 0.005℅F.S/℃
蠕变(30min) ±0.05℅F.S
输出阻抗及桥压 350Ω/10VDC700Ω/10VDC
绝缘电阻 ≥2000ΜΩ
过载能力 120℅F.S
工作环境温度 -10℃~+55℃
系列规格 1、2、3、5、7、10、15、20、 30(t)
变送器输出 0~5VDC 0~10VDC 1~5VDC 0~10mA 0~20mA 4~20mA
外形尺寸单位(mm)
测量范围(t) | L | B | B1 | B2 | C1 | C2 | ΦD | Φd |
1 2 3 | 58 | 112 | 100 | 100 | 80 | 80 | 92 | 8.5 |
5 7 10 | 70 | 128 | 120 | 120 | 92 | 92 | 104 | 12.5 |
15 20 30 | 132 | 230 | 200 | 200 | 160 | 160 | 180 | 17 |
