BLR-14B型电阻应变式拉压力高精度传感器(二输出)

- 产品分类:称重测力传感器
- 全国咨询热线:
- 13907318074
分享到:
概述
BLR-14B型电阻应变式拉压力高精度传感器采用剪切结构弹性体,具有精度高、稳定性能好、抗偏载能力强等特点,适应于料斗秤、配料秤和吊钩秤等配套使用,广泛用于国防、科研工业系统中作力的分析及自动化控制。
主要技术指
非线性误差 ≤±0.05℅F.S
滞后误差 ≤±0.05℅F.S
重复性误差 ≤±0.025℅F.S
输出灵敏度 1.5~2.5mV/V
温度零点影响 0.005℅F.S/℃
蠕变(30min) ±0.05%F.S
输出阻抗及桥压 350Ω/10VDC
绝缘电阻 ≥2000ΜΩ
过载能力 120℅F.S
工作环境温度 -10℃~+55℃
系列规格 0.1~1 1.5~7 10~30(t) 1~10 15~70 100~300(KN)
变送器输出 0~5VDC 0~10VDC 1~5VDC 0~10mA 0~20mA 4~20mA
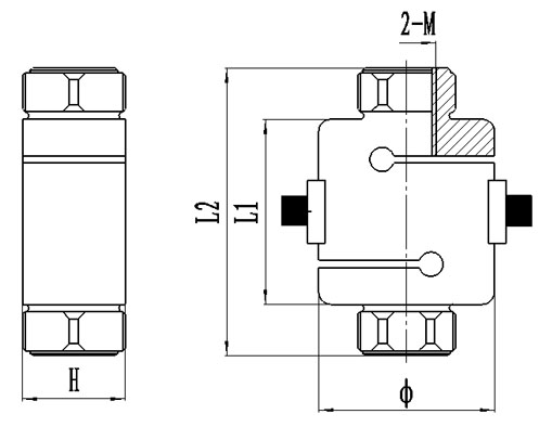
测量范围 | 外形尺寸(mm) | 连接螺纹(mm) | ||||
t | KN | L1 | L2 | H | Φ | M |
0.1~1 | 1~10 | 62 | 88 | 24 | 58 | M16×1.5 |
1.5~7 | 15~70 | 76 | 112 | 42 | 72 | M24×1.5 |
10~30 | 100~300 | 110 | 160 | 62 | 88 | M36×3 |
