BHR-8A型荷重傳感器、變送器

- 產品分類:稱重測力傳感器
- 全國咨詢熱線:
- 13907318074
分享到:
概述
BHR-8A型電阻應變式荷重傳感器,采用剪切結構,具有良好的自然性和穩定性、抗偏載能力強、精度高、外形高度低、安裝方便穩定。可廣泛用于料斗秤、汔車衡、軌道衡等電子秤中。也可在各系統中作力的分析和測量。
主要技術指標
非線性誤差 ≤±0.1℅F.S ≤±0.05℅F.S
滯后誤差 ≤±0.1℅F.S ≤±0.05℅F.S
重復性誤差 ≤±0.05℅F.S ≤±0.025℅F.S
輸出靈敏度 1~1.5mV/V
溫度零點影響 0.01℅F.S/℃ 0.005℅F.S/℃
蠕變(30min) ±0.05%F.S
輸出阻抗及橋壓 350Ω/10VDC
絕緣電阻 ≥2000ΜΩ
過載能力 120℅F.S
工作環境溫度 -10℃~+55℃
系列規格 0~1 2~5 7~10 15~30 50~100 150~300 500~1000(Kg)
變送器輸出 0~5VDC 0~10VDC 1~5VDC 0~10mA 0~20mA 4~20mA
BHR-8A型電阻應變式荷重傳感器,采用剪切結構,具有良好的自然性和穩定性、抗偏載能力強、精度高、外形高度低、安裝方便穩定。可廣泛用于料斗秤、汔車衡、軌道衡等電子秤中。也可在各系統中作力的分析和測量。
主要技術指標
非線性誤差 ≤±0.1℅F.S ≤±0.05℅F.S
滯后誤差 ≤±0.1℅F.S ≤±0.05℅F.S
重復性誤差 ≤±0.05℅F.S ≤±0.025℅F.S
輸出靈敏度 1~1.5mV/V
溫度零點影響 0.01℅F.S/℃ 0.005℅F.S/℃
蠕變(30min) ±0.05%F.S
輸出阻抗及橋壓 350Ω/10VDC
絕緣電阻 ≥2000ΜΩ
過載能力 120℅F.S
工作環境溫度 -10℃~+55℃
系列規格 0~1 2~5 7~10 15~30 50~100 150~300 500~1000(Kg)
變送器輸出 0~5VDC 0~10VDC 1~5VDC 0~10mA 0~20mA 4~20mA
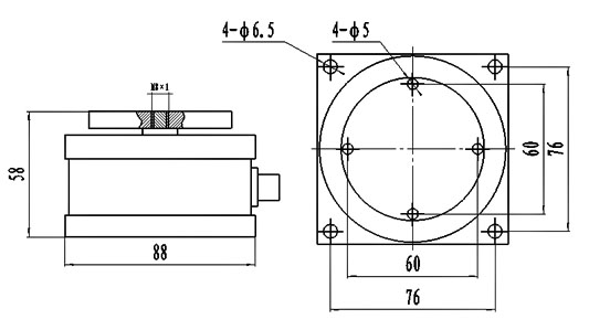
測量范圍 | 外形尺寸(mm) | 安裝尺寸(mm) |
1Kg~1000Kg | 88×88×58 | 76×76×4孔×Φ6.5 |
