ZQ-YB高、低温型压力变送器

- 产品分类:压力传感器
- 全国咨询热线:
- 13907318074
分享到:
概述
ZQ—Y系列压力变送器选用著名瑞士KELLER公司高精度、高稳定性扩散硅压力和压阻式传感器组件,通过可靠性高的放大电路,将被测介质的表压和绝压转换4~20mA、0~10mA、0~20mA、0~5VDC、0~10VDC、1~5VDC标准信号,因为有高质量的传感器、精湛的封装技术及完善的装配工艺确保了该系列产品质量。ZQ—Y系列专用压力变送器分五个类型:标准型、高低温型、超高压型、液位型、防爆型。广泛应用在石油、化工、航天航空、水利、电力医疗、空调等行业的自动控制检测系统。
主要技术指标
量程 0~1KPa至0~200MPa
精度 ±0.1%F.S ±0.25%F.S
工作电压 (2~36)VDC 标准24VDC±5%纹波小于1%
工作温度 -50℃~150℃
过载压力 150%F.S
长期稳定性 0.1%F.S/年 ~ 0.2%F.S/年
结构特性
接头材料 1Cr18Ni9Ti
外壳材料 1Cr18Ni9Ti
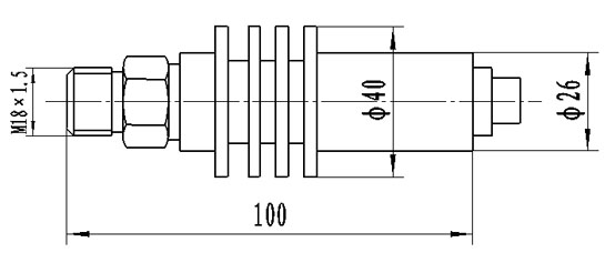
连接螺纹 M20×1.5外螺纹、M18×1.5、 M12×1外螺纹或用户自选
引线方式 电缆线(标准长度1m)或航空插头 X12K5P、X12J5A
应用
测量蒸汽、热油等高温介质压力测量
外形尺寸图

ZQ—Y系列压力变送器选用著名瑞士KELLER公司高精度、高稳定性扩散硅压力和压阻式传感器组件,通过可靠性高的放大电路,将被测介质的表压和绝压转换4~20mA、0~10mA、0~20mA、0~5VDC、0~10VDC、1~5VDC标准信号,因为有高质量的传感器、精湛的封装技术及完善的装配工艺确保了该系列产品质量。ZQ—Y系列专用压力变送器分五个类型:标准型、高低温型、超高压型、液位型、防爆型。广泛应用在石油、化工、航天航空、水利、电力医疗、空调等行业的自动控制检测系统。
主要技术指标
量程 0~1KPa至0~200MPa
精度 ±0.1%F.S ±0.25%F.S
工作电压 (2~36)VDC 标准24VDC±5%纹波小于1%
工作温度 -50℃~150℃
过载压力 150%F.S
长期稳定性 0.1%F.S/年 ~ 0.2%F.S/年
结构特性
接头材料 1Cr18Ni9Ti
外壳材料 1Cr18Ni9Ti
连接螺纹 M20×1.5外螺纹、M18×1.5、 M12×1外螺纹或用户自选
引线方式 电缆线(标准长度1m)或航空插头 X12K5P、X12J5A
应用
测量蒸汽、热油等高温介质压力测量
外形尺寸图
